2 PACK 2.8inch ESP32 Solo Miner LCD Display Cryptocurrency Solo Miner¶
Description¶
2.8 inch BTC Miner with Cheap Yellow Display(CYD)
This ESP32 2.8-inch display module is a HMI (Human Machine Interface) touchscreen designed specifically for mining rigs, featuring a 320*240 resolution LCD screen. It uses the ESP32-WROOM-32 module as the main control processor, equipped with a dual-core LX6 microprocessor with a clock speed of up to 240MHz. Highly compatible with NMMiner Official software, it's ready to use immediately after flashing, with deeply optimized firmware that significantly boosts mining hashrate to 1000KH/s. Integrated Wi-Fi and Bluetooth functionality support independent 2.4G WiFi mining, eliminating the need for an external computer and allowing for convenient operation via Bluetooth and WiFi.
The CYD uses resistive touch technology and comes with a resistive pen. For expanded functionality, the board includes a TF card slot, multiple peripheral/I/O ports, a USB (TTL converter) port, a USB-C interface, a speaker port, and a battery port, providing greater expansion possibilities. It supports development environments such as Arduino IDE, Espressif IDF, Lua RTOS, and Micro Python, and is compatible with the LVGL graphics library. It also supports openHASP, providing an efficient and reliable solution for cryptocurrency mining.
Besides mining, the 2.8-inch display can also be used in smart furniture control panels, industrial control systems, medical device interfaces, and other IoT applications, offering a comprehensive and reliable display solution.
To purchase a license and flashing functionality, please clickthe link: https://www.nmminer.com/product/nmlotto/
Model DHE04107D
Feature¶
- Designed specifically for mining, its specially optimized algorithm boosts computing power to 1000KH/s.
- Highly compatible with NMMiner Official software; simply flash to use.
- Integrated ESP32-WROOM-32 module, built-in wireless communication 2.4 GHz Wi-Fi (802.11 b/g/n) and Bluetooth-compatible 5.0;
- Operate independently using home Wi-Fi; the ESP32 is equipped with 2.4G Wi-Fi, supporting independent mining without the need for an external computer.
- Support development environment Arduino IDE, Espressif IDF, Lua RTOS, Esphome-homeassistant/PlatformIO/Micro Python and compatible with LVGL graphics library;
- Built-in LVGL demo interface and Arduino example, 16 tutorials for you to quickly start.
- **LCD 320*240 2.****8**inches TFT-LCD with driver IC ILI9341V;
- Integrates a TF card slot, multiple peripheral interfaces, a USB interface, a speaker interface, a battery interface, delivering plug-and-play expandability.
- Low power consumption design. Energy-saving and environmentally friendly, supports both BLE and WiFi connectivity.
- Exquisite acrylic casing, effectively protecting the screen.
Specification¶
| Size | 2.8inch |
|---|---|
| Main Processor | ESP32-WROOM-32-N4 |
| Resolution | 320*240 |
| Touch Type | Resistive Touch Screen |
| Display Type | TN Screen |
| Screen | TFT-LCD Screen |
| Display driver | ILI9341V |
| External power supply | DC5V-2A |
| Battery voltage | 3.7-4.2V |
| Interface | 1*TF Card Slot, 1* I2C, 1* GPIO, 1*Speak, 1* UART1, 1*UART0 |
| Button | BOOT Button and Reset Button |
| Active Area | 43.2*56.7mm(W*H) |
| Dimensions | BOOT Button and Reset Button |
| Working Temperature | -20℃~70℃ |
| Storage Temperature | -30℃~80℃ |
| Net Weight (1pcs) | 61g |
Schematic:¶
| Pin Name | Description | Connector Type |
|---|---|---|
| SPK | Output audio signal,connected with speakers. The motherboard comes with a power amplifier chip circuit. | PH2.0-2P |
| PWR | Power LED. | |
| RESET | Reset button. Push it to reset the system. | |
| BOOT | ||
| GPIO_D | Digital and artificial I/O interface. | HY2.0-4P |
| I2C | Build the communication among micro controller and peripheral devices. | HY2.0-4P |
| TF | Provide off-line save and extra storage space. | |
| UART1 | Build the communication among Logic modules, including serial communication module and print module. | HY2.0-4P |
| BAT | Connect with the lithium battery. (With the battery charging circuit) | PH2.0-2P |
| UART0 | Provide serial communication, supply voltage(transform USB to UART0) and serial information printing. | HY2.0-4P/USB-C |
| 2.4-inch HMI Port | Pin Number |
|---|---|
| GPIO_D | IO25; IO32 |
| UART | RX(IO16); TX(IO17) |
| I2C | SDA(IO22); SCL(IO21) |
| SPK | IO26 |
| SD Card Slot(SPI) | MOSI(IO23); MISO(IO19); SDK(IO18); CS(IO5) |
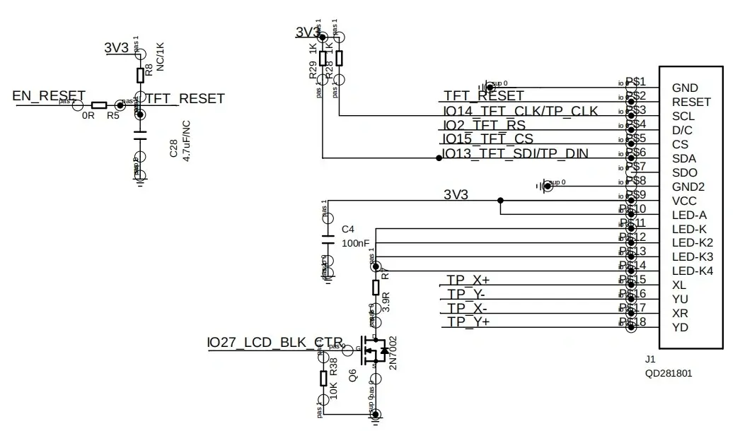
Schematic Diagram¶
ESP32-WROOM-32 and TFT display wiring pins
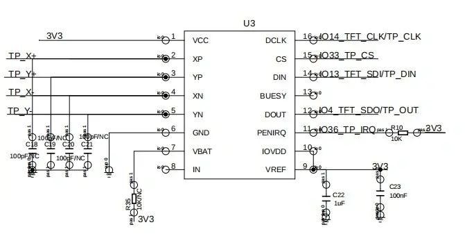
Schematic Diagram:
ESP32-WROOM-32 and touch driver wiring
Schematic Diagram:
Platforms Supported¶
| Arduino IDE | SquareLine Studio | PlatformIO |
|---|---|---|
![]() | ![]() | ![]() |
![]() | ![]() | ![]() |
| ESPHome | MicroPython | ESP-IDF |
|---|---|---|
![]() | ![]() | ![]() |
![]() | ![]() | ![]() |
Introducing Video¶
Resources¶
Github link:
How to buy¶
Please visit this page to purchase 2 PACK 2.8inch ESP32 Solo Miner LCD Display.
Support¶
If you have any problem about how to use it, you can connect to us at the bottom-right of bazzer or contact to techsupport@elecrow.com to get technology support.










